← ST-Computer 06 / 1988

Computerbild auf Video

Hardware

Bild 1: Die fertig aufgebaute Platine

Möchte man als Hobby-Videokünstler seine eigenen Filme mit einem Vorspann versehen oder nur ein Titelbild vor dem Filmanfang einfügen, muß man entweder eine teure Videoausrüstung haben, oder man nimmt sich z.B. einen ATARI ST zu Hilfe. Da es aber keinen Home-Videorecorder mit dem erforderlichen RGB-Eingang gibt (uns ist zumindestens noch keiner bekannt), muß man zuerst ein kleines Interface bauen, das die RGB-Signale in ein für den Recorder verständliches Signal konvertiert. In dieser ST-Computer-Ausgabe befassen wir uns als Projekt mit dem Bau eines solchen Interfaces.

Wie ihnen sicherlich schon bekannt ist, verwaltet der ATARI ST Bilder, die Sie gemalt haben, nicht anders als eine Text-Datei oder den Quelltext eines Programmes, nämlich als eine Anzahl von Einsen und Nullen. Diese Information (die natürlich sehr komplex und unübersichtlich ist) wird im ATARI ST hauptsächlich vom Videoshifter aufbereitet und an den Video-Anschluß weitergeleitet.

Im Monochrom-Betrieb arbeitet der ATARI ST mit dem Monitor SM 124 fast schon digital, denn er liefert einen Signal-Pegel von 1 Vss oder 0 V, wobei die 1 V ‘weiß’ bedeuten und die 0 V ‘schwarz’. Andere Werte (reale Graustufen) sind nicht möglich. Was man dann später als Grau empfindet, wird durch die Verwendung von Rastern erzeugt. Im Farb-Betrieb arbeitet der ST wie viele andere Computer also im RGB-Modus (Rot, Grün, Blau als Grundfarben, die miteinander gemischt werden können). In diesem Modus kann man den ST an einen Monitor mit RGB-Eingang oder an einen gewöhnlichen Farbfernseher mit SCART-Eingang anschließen.

Die notwendigen Signale für den Betrieb im Monochrom- und Farb-Modus werden vom Videoshifter erzeugt. Ebenso werden die Steuersignale wie Vertical-Sync und Horizontal-Sync von diesem Chip generiert. Ein Gemisch aus diesem vertikalen- und horizontalen Synchronsignal nennt man Csync (Composite Synchron) welches auch an der Monitorbuchse des ATARI ST anliegt (Pin 2).

Das funktioniert alles wunderbar, solange man einen Monochrom-, einen Farbmonitor (mit entsprechendem RGB-Eingang) oder einen Farbfernseher mit SCART-Eingang sein Eigen nennen kann. Ist das nicht der Fall, so muß man die Computerbilder über den Videoeingang seines Fernsehers einspeisen. Ab hier wird die Sache dann etwas kompliziert, da der Fernseher das sogenannte RGB-Signal nicht mehr so ohne weiteres versteht. Also müssen diese Farbsignale über einen FBAS-Konverter (schon wieder etwas Exotisches) in das Gerät geliefert werden.

BAS und FBAS?

Da es verschiedene Arten von zu übertragender Information gibt, müssen wir zuerst zwischen der Übertragung von Monochrom- und Farbbildern unterscheiden.

Um Monochrom-Bildern über einen Informationskanal zu übertragen, einigte man sich schon vor langer Zeit auf die noch heute gebräuchliche Form des BAS-Signals (BAS = Bild-Austast-Synchron-Signal). Ein Video-Signal enthält zweierlei Information:

  1. Synchroninformation
  2. Bildinformation

Die Synchroninformation

Sie dient dazu, einen Gleichlauf des zeilenweise abgetasteten Bildes der Aufnahmeeinheit (z.B. Videokamera) und der Wiedergabeeinheit (z.B. Monitor) zu erzwingen. Dies ist nötig, da es in der Praxis nahezu unmöglich ist, in der Wiedergabeeinheit exakt dieselbe Frequenz und Phasenlage zur Aufnahmeeinheit - besonders auf längere Zeit - zu halten. In der Synchroninformation ist die Zeilenfrequenz und die Bildfrequenz enthalten. Die Zeilenfrequenz (15.625 KHz) ist die Frequenz, mit der z.B. der Elektronenstrahl eines Monitors wieder an den linken Rand und ein Stück nach unten springt um dann von links nach rechts eine neue Zeile zu zeichnen. Mit der Bildfrequenz (50 Hz) wiederholt sich eine komplette Bildperiode, die aus 312 beziehungsweise 313 Zeilen (später mehr dazu) besteht, und der Elektronenstrahl springt an die linke, obere Ecke zurück. Zur Bildwechsel-Synchronisation (Halbbildwechsel) bedient man sich einer speziellen Rasterwechselimpulsfolge (siehe auch Bild 2), die elektronisch jedoch durch simples Integrieren des abgetrennten Synchronsignals ausgewertet werden kann. Die Synchroninformation liegt pegelmäßig deutlich unter der Bildinformation und kann deshalb mit relativ einfachen Mitteln abgetrennt werden.

Die Bildinformation

Eine Zeile enthält im Verlauf von links nach rechts die Helligkeitsinformation des Bildes. Daher auch die Tatsache, daß die horizontale Bildauflösung nur durch die Bandbreite der Übertragungsstrecke bestimmt wird, die Vertikale jedoch von der Zeilenzahl. Eine Zeile ist in Zeilensynchronimpulse eingeschlossen. Eines wurde Ihnen bis jetzt jedoch vorenthalten: Sie haben sich vielleicht schon gewundert, warum ein Bild einmal 312 und das andere mal 313 Zeilen haben soll. Das rührt daher, daß man damals einen akzeptablen Kompromiß zwischen Bandbreite der Übertragungsstrecke und der Zeilenzahl (Vertikale Auflösung) zu finden suchte und es zur Entwicklung des Interlace-Verfahrens kam.

Bild 2: Oben wird eine komplette Videozeile dargestellt. Der Freiraum zwischen Bild- und Synchronsignal wird vordere bzw. hintere “Schwarzschulter” genannt. Bei der Rasterwechselimpulsfolge ist zu beachten, daß 618 die Letzte und 11 theoretisch die erste

Das Interlace-Verfahren

steigert die Zeilenzahl des Videobildes auf das Doppelte, ohne jedoch die nötige Übertragungsbandbreite zu erhöhen. Das Prinzip beruht einfach darauf, daß man in einem Halbbild nur ungerade Zeilen Überträgt und im nächsten Halbbild, um einen halben Zeilenabstand versetzt, nur gerade Zeilen. Daraus resultiert, daß es jetzt zwei Halbbilder mit einmal 313 und einmal 312 Zeilen gibt. Der Rasterwechselimpulsfolge wird dabei die Aufgabe übertragen, ein Halbbild dem anderen gegenüber jeweils um einen halben Zeilenabstand zu versetzen. Das brachte natürlich Nachteile, denn eine einzige Zeile wird jetzt nur noch mit 25 Hz ‘aufgefrischt’, die benachbarte Zeile jedoch gleich darauf und damit das ganze Bild wie gehabt mit 50 Hz. Das damit erkaufte Flimmern benachbarter Zeilen zueinander konnte bei normalen ‘Fernsehbildern’ und aufgrund der zeitlichen Integrierwirkung des menschlichen Auges vernachlässigt werden. Bild 2 soll diese Zusammenhänge noch etwas anschaulicher darstellen.

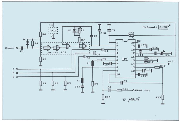
Bild 3: Der Schaltplan des FBAS-Konverters

Die Farbinformation im Videosignal

Ein FBAS-Signal (Farb-Bild-Austast-Synchron-Signal) unterscheidet sich von einem BAS-Signal lediglich durch eine in Quadraturmodulation aufmodulierte Farbinformation mit einer Trägerfrequenz von 4,43 MHz und dem sogenannten Farbburst, der direkt auf das Synchron-Signal folgt. Bei diesem Burst handelt es sich um etwa zehn Perioden der Farbträgerfrequenz, die zur Synchronisation des Quadraturdemulators benötigt werden.

Nach soviel technischen Grundlagen kommen jetzt allgemeine Informationen und der Bau unseres Konverters.

RGB-FBAS-Konverter

Unser Konverter benötigt nur das RGB- und das Csync-Signal. H- und V-Sync sind dafür nicht erforderlich (sie werden übrigens auch nicht über ein SCART-Kabel übertragen). Der Konverter kann daher auch am (oder im) Fernseher montiert und mit einem SCART-Ein- und Ausgang versehen werden. Dies erfordert aber ein zusätzliches CMOS-IC, das während der vertikalen Synchronisation die korrekte Anzahl von invertierten Hsync-Impulsen einfügt, Damit IC1 die Burstphase im richtigen Halbbildwechsel umschaltet. Die genaue Darstellung der PAL-Femsehnorm würde etwa fünf Seiten und viele Grafiken erfordern und würde somit unseren Rahmen sprengen.

Jetzt zur Schaltung

IC1 ist der eigentliche Konverter. Die RGB-Signale werden den Pins 3, 4, 5 kapazitiv zugeführt. R1, R2 und R3 stellen nicht nur den korrekten Eingangswiderstand her, sondern reduzieren auch die Amplititude auf 1 Vss. Eine Matrix in IC1 bildet das Y-sowie die R-Y und B-Y-Signale. An Pin 6 steht das Y-Signal mit 1 Vss zur Verfügung und wird über einen Spannungsteiler zu Pin 8 geführt. Falls das Chroma-Signal gefiltert wird, kann hier eine Verzögerangsleistung eingeschleift werden, damit die Flanken von Luminanz und Chrominanz übereinstimmen. Wir haben hier einen Tiefpaß/Sperrkreis eingefügt, da das Computersignal eine zu hohe Bandbreite hat und daher feine Strukturen leider zu diagonalen Farbstreifen führen. Ein Beispiel: Die nutzbare Bildschirmfläche wird in etwa 45 ps beschrieben. Falls nun ein Punktmuster mit 160 schwarzen und ebensoviel weißen Punkten geschrieben wird, so hat ein weißer Punkt die Zeitdauer von 140 ns. Die Grundschwingung dieses Musters entspricht bereits 3,6 MHz, so daß eine Darstellung gerade noch möglich ist. Bei mittlere Auflösung wären dies 7,2 MHz und damit nicht darstellbar. Das Y-Signal wird in den meisten Ferse-hem ab 4 MHz nicht mehr übertragen, um Farbstörungen zu vermeiden, da bei 4.43 MHz der Farbträger liegt und andere Signale in diesem Bereich nichts zu suchen haben. Das Farbsi-gnal seinerseits hat nur einen scharfen SW- und einen unscharfen Color-Anteil. Daher ist ein Schwarzweißübergang wesentlich schärfer als ein Rot-Grün-übergang, ganz im Gegensatz zur Darstellung eines RGB-Monitors. (Die 3D-Versuche im Fernsehen, bei denen der Bildinhalt in Rot und Grün übertragen wurden, waren wegen der mangelnden Schärfe also zum Scheitern verurteilt.)

Bild 4: Das FBAS-Platinenlayout (Lötseite 1:1)

Das Csync-Signal wird im IC1 aufbereitet und entlädt zu Beginn jeder neuen Zeile den Kondensator C3 an Pin 1. Die ansteigenede Flanke löst über einen Fensterkomparator den Burst aus. Der im Datenblatt für R12 angegebene Wert von 43 kQ ist zwar richtig, aber unbrauchbar, da die meisten Fernseher die Position des Bursts sehr genau nehmen und ein 1%-Kondensator für C3 recht teuer kommt. Daher empfehle ich ein 100k Ohm-Trimmpoti. Die PAL-Aufbereitung verlangt eine Vertikalsynchronisation mit Halbbildimpulsen, die leider kein Computer liefert; daher der Zusatz mit IC2. Zunächst wird das Signal mit C1, D1, R4, R5, R6 geklemmt und von zwei Invertern geformt. Der nachfolgende Start-Stop-Generator blendet in den Vsync-Impuls inverse Hsync-Impulse mit 32 ps Abstand ein. Wer ein schon halbwegs korrektes Videosignal (fehlende Vor-und Nachtrabanten) wünscht, muß P1 entsprechend einstellen. Kein Fernseher reagierte aber bisher allergisch auf das primitive Computer-Syncsignal und daher reicht für P2 ein 250kOhm-Poti aus, das man auf maximalen Wert setzt. Denn bereits ein Impuls triggert das PAL-Flipflop korrekt. Schließlich wird das Chroma-Signal an Pin 13 ausgegeben, durchläuft optional ein Filter, und wird an Pin 10 dem BAS-Signal zugesetzt.

Der Widerstand RIO an Pin 9 verringert den Innenwiderstand des Video-Ausgangs, der über R11 und C8 ein normgerechtes Videosignal zur Verfügung stellt.

Bild 5: Der FBAS-Bestückungsplan (1:1)

Der Abgleich

ist ohne Oszilloskop etwas haarig (3 Abgleichpunkte). Man schließe den Konverter an Computer und Fernseher (Modulator) an und beginne mit P1. Eine verzögerte Zeitbasis wäre gut, aber mit TV-Stellung und geeignetem Triggerlevel geht es auch. P1 muß man so einstellen, daß die Impulse während der Vsync-Lücke einen Abstand von ca. 32 ps haben. Sollte IC2 eigenartiges Verhalten zeigen, so handelt es sich um eine nicht geeignete CMOS-Reihe. Eventuell ist C18 einzusetzen. Dann beobachte man das Signal an Pin 9. Am besten von IC2 extern triggern lassen. Mit P2 ist der Burst auf korrekte Lage (hintere Schwarzschulter) einzustellen. Sollte er zu kurz oder zu lang sein, so ist C3 auszutauschen. Dann muß mit Tri der Quarz gezogen werden (Fernseher beobachten). Meist wird nun flackernd die Farbe kommen. Wie bereits ausgeführt, ist der Abgleich von P1 mehrdeutig, d.h. beim Drehen "kommt” die Farbe mehrmals. Wenn die korrekten Halbbildimpulse nicht unbedingt erforderlich sind, sollte man P1 auf nur einen Impuls einstellen, da dann die Einstellung weniger kritisch ist.

FBAS-Stückliste:

Kondensatoren, keramisch, stehend
C18 33 pF C17 100 pF C14, C15 220 pF C2 470 pF C3, C9 1 nF C7, C16 10 nF CI 47 nF CIO,Cll 100 nF Elkos
C4, C5, C6, C19 22 µF (kleine Bauform)
C12, C13 4,7 µF ( “ “ ) C8 47 µF ( “ “ ) Spulen
LI ~68 pH L2 ~10 pH Potis:
PI, P2 100 kΩ Trimmer
Trl 10/40pF (lila) ICs
IC1 MC 1377
IC2 CD4001 Dioden
D1.D2 1N4148 Quarz
Quarz 4,433618 MHz (PAL) Buchsen
Chinch-Buchse Widerstände
R1, R2, R3. R11 68 Ω
R10 220 Ω
R8, R9 1 kΩ R12 2,2 kΩ R5 4,7 kΩ R6 5,6 kΩ R7, R13 10 kΩ R4 470 kΩ

Wir haben festgestellt, daß ältere Fernseher sehr empfindlich sind, was Farbträgerfrequenz (Tri), die Burstposition (P2) und Länge angeht, während neuere viel toleranter sind und den Abgleich auch ohne Oszilloskop ermöglichen. Außerdem ist das Bild meist viel besser, da die moderne Filtertechnik eine viel steilere und phasenrichtige Trennung von Luminanz und Chrominanz ermöglicht. Also: P1 auf Maximum, P2 auf Minimum, Tri “durchdrehen” und dabei P2 langsam aufdrehen. Bei etwa 1/4 Umdrehung liegt die richtige Position. Mit Tri muß man nun das Pal-Moire (sichtbar beim SW-Raster im Kontrollfeld) so einstellen, daß es nicht stillsteht, sondern so schnell läuft, daß es aus der Entfernung betrachtet nicht mehr stört. Dieses Moire ist kein Fehler des Modulators, sondern eine Eigenschaft der Verkämmung von Luminanz und Chrominanz bei “Never The Same Color” (NTSC) und “Pay Additional Luxus” (PAL) und tritt immer bei scharfen SW-Übergängen auf (daher das Verbot von Nadelstreifen- oder kleingestreiften Anzügen im Fernsehen).

Das Bild

Das vom Konverter erzeugte Bild erreicht natürlich nicht die Auflösung und Ruhe eines RGB-Monitors (wie sollte es auch?). Dafür liegt es in einer universellen Norm vor. Störend sind vor allem zwei Phänomene:

  • Bei dichten Punktrastern treten diagonale Blau-Gelb-Streifen auf. Dieses übersprechen des hochfrequenten Y-Signals in den Farbteil läßt sich nicht durch Abschirmungen beseitigen, sondern nur durch Filterung des Y-Signals, was aber auch zu Unschärfen führt. Hier sind noch Verbesserungen möglich.
  • Das Flackern der Farbkonturen sowie das Wandern der diagonalen Streifen liegt an der fehlenden, starren Kopplung von Farbträger und Zeilenfrequenz. Man könnte einen PLL-Zusatz entwerfen, um diese Störung zu beseitigen. Der Oszillator ist aber ausreichend stabil, um das Flackern zu minimieren.

Die Aufbau

Wir haben eine kleine Platine entworfen, die den Aufbau wesentlich erleichtert; sie ist aber nicht unbedingt notwendig. Unsere ersten Versuche wurden auf einer Lochrasterplatine gemacht und funktionierten problemlos.

In der abgedruckten Stückliste befinden sich alle Teile, die für den Aufbau notwendig sind. Wie schon im Bericht erklärt wurde, gibt es bei der Dimensionierung einiger Bauteile unterschiedliche Ergebnisse, so daß die optimalen Werte, der mit gekennzeichneten Bauteile experimentell zu ermitteln sind. Man sollte bei diesen Bauteilen im angegebenen Bereich experimentieren, um eventuell ein besseres Bild zu erreichen. Alle notwendigen Bauteile sind relativ leicht in jedem gut sortierten Elektronikladen zu erhalten. Etwas problematisch kann es nur bei dem von Motorola hergestellten IC, MC 1377 (IC 1), werden.

Zum Schluß....

bleibt uns nur die Hoffnung, daß das Bauen dieses Konverters Ihnen Spaß gemacht hat. Falls Sie auf besondere Schwierigkeiten stoßen oder Anregung für eine Verbesserung haben, schreiben Sie uns bitte.

Klaus Schönhoff