← TOS 02 / 1991

Wenn das Ihr Drucker wüßte: 16 Ein-/Ausgabeleitungen am Centronics-Port

Bastelei

Das komplett aufgebaute und betriebsfertige Ein-/Ausgabe-Interface

Was halten Sie von einem computergesteuerten LED-Lauflicht à la Knight-Ri-der? Möchten Sie Ihre Modellbahn per Computer steuern? Oder soll es ein 16-Kanal-Logikanalysator sein? Die hier vorgestellte Schaltung erlaubt es, über den Druckerport mit 16 Bit steuernd und regelnd in die Umgebung einzugreifen.

Die große Resonanz auf unser I/O-Port-Interface (TOS August/September 1990) ermunterte uns, Ihnen ein weiteres Bastelprojekt vorzustellen, das digitale Ein-und Ausgaben erlaubt: ein 16-Bit-Interface zum Anschluß an den Centronics-Druckerport des ST. Dieses Interface stellt 16 Leitungen zur Verfügung, und auf jeder einzelnen Leitung können Sie Digital-Signale wahlweise ausgeben oder einlesen.

Die hier beschriebene Schaltung zeichnet sich durch einen besonders einfachen Nachbau aus. Dies gestattet auch dem weniger geübten Bastler, in die Welt der Steuer- und Regelungstechnik einzusteigen. Interessant ist außerdem der günstige Preis sowie die leichte Bauteilebeschaffung. Die Schonung der überaus empfindlichen ROM-Port-Steckverbindung verbuchen Sie als weiteren Vorteil. Sind Sie nicht auch der Meinung, daß sich angesichts der beschriebenen Vorzüge die Belegung des Druckerports verschmerzen läßt?

Da das Interface über 16 Ein-/Ausgabeleitungen verfügt, sind vielfältige Anwendungsbeispiele denkbar. So steuern Sie beispielsweise problemlos Leuchtdioden, Lampen und Relais. Auch die TTL-Schaltkreise (Transistor-Transistor-Logik; Bausteine der 74xx-Serie) sind zum Anschluß freigegeben. Haben Sie in einer Ecke noch Schaltungen für den Userport des Commodore 64 liegen? Jetzt ist der Zeitpunkt gekommen, sie zu entstauben. Verlangt Ihr Eigenheim nach einer intelligenten Heizungsregelung oder wollen Sie Ihren Partykeller mit einer raffinierten Lichtorgel-Anlage aufwerten? Auch die Steuerung einer Lichtanlage für Diskothek oder Bühne ist denkbar. Verwirklichen Sie doch Ihren lange gehegten Traum einer Modellbahnsteuerung per ST. Einen Einsatz der Schaltung als komfortabler IC-Tester für über 300 TTL-Chips realisiert der Autor gerade hard- und software mäßig. Sie sehen: Ihrer Kreativität sind keine Grenzen gesetzt.

Bild 1. Der Schaltplan des 16 Bit-Interfaces

Das Kernstück der Schaltung (Bild 1) ist der PIA 6520 (Peripheral Interface Adapter; IC1). Das IC enthält die beiden 8-Bit-Register A und B. Diese bilden zusammen die 16 Port-Leitungen (Pin 2 bis 17), die Sie als Ein- oder Ausgänge definieren können. Der PIA 6520 arbeitet mit TTL-Pegeln (+5 Volt; 0 Volt) und erlaubt somit das problemlose Ansteuern weiterer TTL-Bausteine.

Die Verbindung zum Computer erfolgt über den Drucker-Port des ST. Da neben den acht Datenleitungen jedoch nur noch die beiden Steuerleitungen »Busy« und »Strobe« vorhanden sind, müssen wir die fehlenden Steuersignale aus den Datenbits bilden. Dies übernimmt IC2, ein 74LS379 (4-Bit D-Register); die Strobe-Leitung taktet den Chip. Er erzeugt die zusätzlichen Signale (Read/Write Pin 21, Register Select Pin 35 und 36, Reset Pin 34). Das Busy-Signal führt direkt zu IC1 und steuert dort den Enable-Eingang (Pin 25). Die Chip-Select-Eingänge von IC1 (Pin 22 und 23) liegen auf Masse oder +5 Volt. Zusätzlich finden Sie noch einige weitere Bauelemente in der Schaltung: Die beiden 100 nF-Kondensatoren dienen als Stützkondensatoren und unterdrücken Störspitzen der Versorgungsspannung! Die rote Leuchtdiode zeigt in Verbindung mit einem Vorwiderstand (270 Ohm) die Betriebsspannung an. Zur Spannungsversorgung ist eine 5 Volt-Gleichspannungsquelle notwendig (zum Beispiel ein Steckernetzteil); sie wird an eine zweipolige Schraubklemme angeschlossen. Eine Besonderheit stellt der Digi-Taster dar. Er aktiviert die Reset-Leitung des PIA 6520, um beim Programmstart dessen Register zu löschen.

Ein 25poliges Flachbandkabel stellt den Kontakt zum Computer her. Flier bieten sich Platinenverbinder und Sub-D-Stecker in Klemm-Schneid-Technik an. Die 16 Port-Signale und die Gleichspannung liegen an einer 18poligen Pinleiste an.

Zum Nachbau der Schaltung benötigen Sie zunächst die Platine sowie die in der Stückliste aufgeführten Bauteile. Wollen Sie die Platine nicht selbst ätzen (Bild 2 zeigt das komplette Layout), können Sie diese, wie auch alle anderen Bauteile, bei der angegebenen Bezugsadresse bestellen.

Beim Bestücken der Platine beginnen Sie mit den niedrigsten Bauteilen (Widerstand, IC-Fassungen etc.). Orientieren Sie sich am besten am Bestückungsaufdruck (Bild 3). Sie sollten in jedem Fall IC-Sockel verwenden. Bei einem eventuellen Defekt der ICs ist das Auswechseln dann kein Problem. Nach den Fassungen (40polig und 16polig) für IC1 und IC2, dem Widerstand (270 Ohm, Farbcode: rot-lila-braun-gold) und den Kondensatoren (100 nF) folgt noch die Diode. Hierbei achten Sie bitte auf die richtige Polung. Bei der Leuchtdiode (LED) entspricht das kürzere bzw. das gekennzeichnete Beinchen der Kathode und zeigt in Richtung der Anschlußklemmen.

Nun löten Sie den Digitaster ein. Achten Sie auch hier auf dessen korrekte Ausrichtung. Beim Drücken der Taste muß Pin 34 von IC1 auf Masse liegen. Ein Blick auf das Bild des Interfaces hilft Ihnen beim Einbau. Nun bestücken Sie noch die Platine mit der zweipoligen Schraubklemme, der 18poligen Pinleiste für die Ports und dem 26poligen Platinenverbinder für das Flachbandkabel. Haben Sie alle Lötarbeiten abgeschlossen, kontrollieren Sie die Unterseite der Platine auf mangelhafte Lötstellen und das richtige Einlöten der Dioden und des Tasters.

Bild 2. Das Platinenlayout (Blick auf die Lötseite)

Schließen Sie für einen ersten Test die Platine an eine 5 Volt-Gleichspannungsquelle (Steckernetzteil oder stabilisierte Spannungsversorgung) an, ohne das Flachbandkabel mit dem Computer zu verbinden. An Pin 21, 23 und 24 des Sockels für IC1 und an Pin 16 des zweiten Sockels müssen nun +5 Volt anliegen. Pin 22 (IC1) bzw. Pin 1 und 8 (IC2) liegen auf Massepegel. Ist dieser Test erfolgreich verlaufen, klemmen Sie die Versorgungsspannung wieder ab. Setzen Sie die beiden ICs in die vorgesehenen Sockel. Hierbei müssen Sie die Ausrichtung berücksichtigen (siehe Bestückungsplan, Bild 3). Ebenso dürfen Sie beim Einsetzen keines der zahlreichen IC-Beinchen verbiegen oder umknicken.

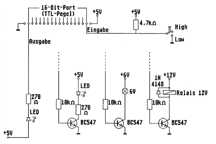
Verbinden Sie nun noch das Flachbandkabel bei ausgeschaltetem Computer mit dem Druckerport. Für einen abschließenden Test starten Sie das Interface-Testprogramm. Unter Zuhilfenahme eines Logiktesters oder der kleinen Hilfsschaltungen in Bild 4 können Sie die Pegel an den Ports überprüfen oder einstellen. Vergessen Sie nicht, bei jedem Programmstart die Reset-Taste zu betätigen, um so den PIA 6520 in seinen Grundzustand zu setzen. Dies löscht die Register und setzt alle Ports auf Ausgabe.

Wir haben die Platinen-Layout-Rückseite für's Belichten nicht bedruckt

Das in GFA-Basic 3.0 geschriebene und compilierte Testprogramm »INT_TEST.PRG« ist mausgesteuert und erlaubt es, jeden Port als Ein- oder Ausgang zu definieren. Dies geschieht durch Anklicken der oberen Kästchenreihe auf dem Bildschirm. Ist ein Portals Ausgang geschaltet, setzen Sie ihn mit der unteren Kästchenreihe auf High (+5 Volt) oder Low (0 Volt). Definieren Sie einen Port als Eingang, zeigt Ihnen diese Reihe den Port-Zustand. Klicken Sie die Bildüberschrift an, erscheint eine Infobox. Wählen Sie die Ende-Box an, stellt das Programm die Centronics-Schnittstelle wieder auf Druckerbetrieb um und kehrt zum Desktop zurück. Auf der Programmdiskette finden Sie das Testprogramm, die Treiberroutinen für das Interface in GFA-und Omikron-Basic sowie den Quellcode des benötigten Assembler-Moduls. Das Interface (als Bausatz oder Fertiggerät), die Platine, die Demo-Diskette mit der Treibersoftware sowie alle Bauteile können Sie direkt bei der unten angegebenen Anschrift bestellen. Das Fertiggerät zum Preis von 89 Mark umfaßt die anschlußfertige und getestete Platine, sowie eine einseitige Diskette mit Treibersoftware und Anwendungsbeispielen. (ts)

Bild 3. Die Lage der Bauteile zeigt der Bestückungsplan

Stückliste

   
R1 Widerstand 270 Ohm
C1, C2 Kondensator 100 nF
D1 Leuchtdiode rot 5mm
IC1 PIA 6520
IC2 74LS379
IC-Fassungen 40polig / 16polig
Digi-Taster
Pinieiste 18polig
Schraubklemme zweipolig
Platinenverbinder 26polig
Sub D-Stecker 25polig
Flachbandkabel 25poiig
Platine

Bezugsadresse: K. Kellner, Verkauf und Versand von Elektronik. Adalbert-Stifter-Str 12, 3558 Frankenberg/Eder

Bild 4. Diverse Zusatzschaltungen erlauben den Anschluß verschiedener Bauelemente wie Leuchtdioden, Glühbirnen oder Relais
Harry Kellner