Die überragenden Soundqualitäten des Falcon 030 sind hinreichend bekannt, und die Software auf diesem Gebiet wird ständig weiter verbessert. Leider kann man sich diese Musik nur über den eingebauten Kopfhörerausgang des Falcon 030 anhören. Hieran lassen sich eine Stereoanlage anschließen und mit einem normalen Tapedeck Aufnahmen erzeugen. Die digitalen Daten werden dabei allerdings schon im Falcon 030 in analoge Signale umgewandelt. Da die analogen Schaltkreise im Falcon 030 nicht gerade die besten sind, treten gewisse Qualitätsverluste auf. Will man sie vermeiden, muß man die Daten vorher digital weiterverarbeiten.
Seit einiger Zeit gibt es digitale Verstärker und Rekorder (DAT). Diese Systeme arbeiten mit festen Abtastfrequenzen (Sample-Frequenz) von 32kHz bei einfachen Aufnahmen (selten genutzt), 44.1 kHz bei Compact-Disks (CD) und 48kHz bei DAT-Rekordern. Da digitale Verstärker beliebige Sample-Frequenzen zulassen, wäre es folglich sinnvoll, sich dem DAT-Standard anzuschließen und mit 48kHz zu samplen. Die Daten vom Falcon 030 lassen sich dadurch digital auf einem DAT-Rekorder abspeichern oder direkt einem digitalen Verstärker zuführen. Umgekehrt können auch DAT-Daten ohne Qualitätsverluste in den Falcon 030 übertragen werden.
Gewußt wie...
Der Falcon 030 bietet zwar Sample-Frequenzen bis zu 50kHz, aber leider nicht exakt 48kHz an. Würde man bei der Aufnahme mit einer anderen Frequenz arbeiten als bei der Wiedergabe, ergäbe das denselben Effekt wie bei einer Schallplatte, die man statt mit 33U/min mit 45U/min abspielt. Glücklicherweise hat ATARI die Möglichkeit eingeplant, das gesamte Soundsubsystem mit einem externen Takt zu versorgen. Dieser Takt wird am DSP-Stecker angelegt und dem Soundsubsystem zugeführt. Die Sample-Rate ergibt sich aus der Taktrate dividiert durch 256; dividiert durch den um eins erhöhten Vorteilerwert. Der Vorteiler darf den Wert von 1 bis 12 annehmen. Um 48kHz Sample-Frequenz zu erzeugen, muß der außen anzulegende Takt wie folgt berechnet werden:
48kHz *256 * (1+1) = 24.576 MHz
Ein höherer Vorteiler hätte eine noch höhere Frequenz ergeben und damit zu größeren Problemen im Aufbau geführt. Aus dieser Quarzfrequenz ergeben sich folgende Sample-Frequenzen für die verschiedenen Vorteiler:
Das Platinen-Layout
| Vorteiler |
Sample-Frequenz 24.576MHz/256/(Vorteiler+1) |
| 1 |
48kHz |
| 2 |
32kHz |
| 3 |
24kHz |
| 4 |
19.2kHz |
| 5 |
16kHz |
| 6 |
13.71kHz |
| 7 |
12kHz |
| 8 |
10.66kHz |
| 9 |
9.6kHz |
| 10 |
8.72kHz |
| 11 |
8kHz |
| 12 |
7.38kHz |
Für uns sind die Vorteiler 1 und 2 von Interesse, da sie die zwei Standard-Sample-Frequenzen 32kHz und 48kHz erzeugen.
Für den Aufbau der Schaltung muß ein solcher Quarz erworben werden. Da es diesen Quarz in den Datenblättern bekannter Hersteller gibt, glaubten wir, kein größeres Problem zu haben. Dennoch dauerte es einige Zeit, bis der Quarz beschafft war. Es scheint also ein nicht gerade gängiges Bauteil zu sein.
Digitales Überspielen ermöglicht Kopieren ohne Qualitätsverlust
Der Oszillatortakt wird im Falcon 030 noch geteilt.
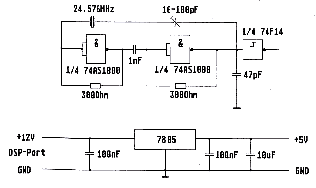
Der Schaltplan des Oszillators
Der Aufbau
Die Schaltung regt den Quarz zum Schwingen an und erzeugt aus dem Sinussignal des Quarzes ein Rechtecksignal. Das Anregen des Quarzes besorgen zwei Gatter vom Typ 74AS 1000, hierbei handelt es sich um einen superschnellen 7400 mit hoher Flankensteilheit. Die zu den Gattern parallelgeschalteten 300-Ohm-Widerstände sorgen für das Anschwingen der Schaltung, wobei der ljaF-Kondensator den Gleichstromanteil sperrt und nur den Wechselstrom passieren läßt. Der einstellbare Kondensator, der in Reihe zu dem Quarz liegt, ermöglicht es, die Frequenz nachzuregeln. Aus diesem Schwingkreis wird das Signal auf einen Schmitt-Trigger vom Typ 74F14 weitergegeben, der für eine bessere Flankensteilheit sorgt. Damit hier keine Störungen auftreten, blockt der 47pF-Kondensator alle hochfrequenten Schwingungen ab. Nun erhalten wir nach dem 74F14 ein Rechtecksignal mit 24.576MHz. Da nicht viele Leute ein 30MHz-Oszilloskop bzw. einen Frequenzzähler im Haus haben, um die Frequenz nachzumessen, haben wir einen weiteren Baustein in der Schaltung eingeplant. Bei diesem Baustein handelt es sich um den Teiler 74HC292 (Vorsicht: 74HC292 ca. 5,- DM / 74LS292 ca. 20,- DM!), mit ihm teilen wir die 24.576MHz durch 512, wodurch wir 48kHz erhalten. So kann jeder ohne größeren Aufwand an Meßgeräten direkt die 48kHz messen und einstellen.
Damit wir für die ganze Schaltung keine eigene Stromversorgung benötigen, befindet sich auf der Platine noch ein Spannungsregler vom Typ 7 8L05 (5 V/100mA). Glücklicherweise liegt am DSP-Port ein 12V-Anschluß bereit. Aus dieser Spannung erzeugt unser Spannungsregler die benötigten 5 V für die kleine Schaltung.
Der Bestückungsplan
Bauteileliste
| |
|
| IC1 |
7805 oder 78S05 |
| IC2 |
74AS1000 |
| IC3 |
74F14 |
| IC4 |
4HC292 |
| C |
100nF |
| C2 |
1ßµF |
| C3 |
1nF |
| C4 |
47pF |
| C5 |
10-100pF (Trimmer) oder ähnliches |
| R |
300Ω |
| Q |
24.576MHz |
| PI |
Abgreifpunkt 24.576MHz, an Pin 26 des DSP-Ports |
| P2 |
Abgreifpunkt 48kHz |
| P3 |
+12V, an Pin 17 des DSP-Ports |
| P4 |
Masse, an Pin 14 des DSP-Ports |