← ST-Computer 01 / 1992

MIDI-Thru: Aus Eins mach Vier

Hardware

„Guten Tag, ich möchte gern ein Keyboard kaufen, aber mit MIDI bitte.“ So oder ähnlich könnte der erste Satz eines kompetenten Keyboard-Käufers lauten. Der Verkäufer wird nach kurzem Erfragen der Preisgrenze und der gewünschten Möglichkeiten ein passendes Gerät anbieten. Als glücklicher Besitzer eines MIDI-Keyboards zu Hause angekommen, fällt es unserem MIDI-Freund wie Schuppen von den Augen.

Was nützt mir ein einzelnes MIDI-Gerät? Nichts! MIDI ist die Schnittstelle, die es ermöglicht, mit anderen gleichgesinnten Geräten oder einem Computer Kontakt aufzunehmen. Nach einer kurzen Umfrage kristallisiert sich schon bald ein passendes Gerät heraus. Ein ATARI muß her. Diese weise Entscheidung sollte unser Freund nicht bereuen. Von nun an steht ihm die überaus große MIDI-Welt offen. Die Entscheidung, einen ATARI zu kaufen, fiel nicht schwer, da das allgemeine Programmangebot sehr hoch ist. Hinzu kommt die schon vom Werk eingebaute MIDI-Schnittstelle. Der ATARI ist stolzer Besitzer einer MIDI-IN und einer -Out-Buchse. das alleine macht den Kohl sicherlich noch nicht fett. Wer aber schon ein wenig in der MIDI-Scene herumgeschnüffelt hat, weiß, daß der ATARI mittlerweile der beliebteste Musik-Computer mit den besten Angeboten für MIDI-Programme geworden (oder immer schon gewesen) ist. Aller Voraussicht nach wird sich daran in nächster Zukunft auch nichts ändern.

Die MIDI-Serienschaltung

Wer sich schon mehrere MIDI-Geräte zugelegt hat, weiß sicherlich längst, wie er die MIDI-Kabel zu kontaktieren hat. Für alle Neueinsteiger sei hier die Abbildung 1 als Hilfestellung gegeben. In der Regel ist das Keyboard, das Daten sendet, der Master. Alle anderen sind als Slaves anzusehen, die auf Befehle warten. Unser MIDI-Trio ist dann wie folgt zu verdrahten:

Master-MIDI-OUT
nach EXPANDER-1-MIDI-IN;

EXPANDER-1-MIDI-Thru
nach EXPANDER-2-MIDI-IN;

EXPANDER-2-MIDI-Thru
nach EXPANDER-3-MIDI-IN usw.

Dies wird bis zum letzten Gerät, in der Abbildung als n-ter EXPANDER bezeichnet, fortgeführt. Dieser benötigt dann nicht unbedingt einen MIDI-Thru-Anschluß. Der ATARI kann selbstverständlich auf die gleiche Art und Weise in die Verdrahtung einbezogen werden. Dazu erfahren wir später mehr. Leider kann diese Anschlußmöglichkeit nicht bis ins Unendliche getrieben werden. Die Daten, die über den MIDI-In-Port eintreffen, werden leicht verzögert über den MIDI-Thru-Port wieder ausgegeben. Je nach Gerätetyp machen sich dann deutliche Notenverzögerungen akustisch bemerkbar. Mehr als 4 oder 5 MIDI-Geräte sollten nicht in Serienschaltung betrieben werden. Zudem kann es Vorkommen, daß einige Bits gänzlich verlorengehen, was bei einem Status-Byte zum „Nicht-Erkennen“ eines Befehls führen kann.

Abb.1: Die MIDI-Serienschaltung

Die MIDI-Sternschaltung

Wer seinen ATARI als Steuerzentrale ein-setzen will, tut gut daran sich eine MIDI-Thru-Box zuzulegen. Hiermit kann ein MIDI-Signal auf mehrere parallele Ausgänge gelegt werden. Nun entfallen die so unbeliebten Verzögerungen, und alle Expander werden exakt gleichzeitig angesprochen. Mit einer solchen Box erhält der ATARI vier MIDI-OUTPUTS. In Abbildung 2 sehen wir ein Masterkeyboard als Schaltzentrale, dessen MIDI-OUT in den MIDI-IN einer Thru-Box führt. Die vier Outputs steuern dann die angeschlossenen Empfänger gleichzeitig an. Eine MIDI-Thru-Box ist für MEGA-ST-Besitzer sicherlich eine gesuchte Erlösung. Die versteckten MIDI-Anschlüsse auf der Rückseite können damit bequem erreichbar an eine gut zugängliche Stelle gebracht werden.

Die Thru-Box

Was ist sie nun, diese geheimnisvolle Box? Sie ist eigentlich nichts anderes als ein Signalverstärker und -Vervielfacher. Da diese Box im „MIDI-Leben“ sehr nützliche Dienste leisten kann, wollen wir uns eine solche Thru-Box selber bauen. Für erfahrene Löter ist dies sicherlich kein Problem. Von nicht so geübten Elektronikern sollte der Nachbau jedoch auch ohne Probleme vollzogen werden können. Zur Spannungsversorgung ist noch ein stabilisiertes 5-Volt-Netzteil nötig. Solche Geräte sind im Fachhandel meist als Steckernetzteile erhältlich. Es sollte mindestens bis 500mA belastbar sein.

Abb.2: Die MIDI-Sternschaltung

Die MIDI-Thru-Schaltung

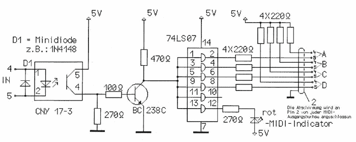
Kommen wir nun zur eigentlichen MIDI-Elektronik. Abbildung 3 zeigt die komplette Schaltung einer „1-auf-4-Box“. „1-auf-4“ bedeutet, daß ein Eingang vervierfacht wird. Hiermit kann jedes Gerät mit nur einem MIDI-Ausgang von nun an 4 Empfänger gleichzeitig mit Daten beliefern. Der Signalfluß in der Abbildung führt von links nach rechts. Beginnen wir ganz links beim Optokoppler (CNY 17-3). Der Einsatz eines Optokopplers bei ausnahmslos allen MIDI-Eingängen ist notwendig, damit alle Geräte, die über MIDI verkabelt werden, galvanisch voneinander getrennt sind. Brummschleifen und geräteübergreifende Defekte sind somit ausgeschlossen. Trifft nun über den MIDI-IN ein LOW-Signal ein, leuchtet im CNY 17-3 eine Diode, die den Photo transistor öffnet, so daß die 5-Volt-Spannung an den beiden Widerständen 100 Ω und 270 Ω anliegt. Jetzt ist die Basis des BC 238C positiver als der Emitter. Nahezu 0 Volt liegen nun am Kollektor des Transistors und an den Eingängen des Treibers 74LS07 an. An die Ausgänge des Treibers werden 220-Ω-Widerstände gelötet, damit wieder eine korrekte MIDI-Schleife gebildet werden kann. An Pin 12 des Treibers wird noch zusätzlich eine Leuchtdiode angeschlossen, damit jederzeit zu erkennen ist, daß zur Zeit Daten fließen. Blinkt die Diode nicht, fließen keine Daten. Die mit A bis D gekennzeichneten Ausgangsbuchsen werden jeweils an Pin 4 und 5 angelötet. Die Masse wird an jeden Pin 2 der Ausgangsbuchsen gelötet. Auf keinen Fall darf an Pin 2 der Eingangsbuchse etwas angelötet werden, da dann wieder Brummschleifen entstehen können. Wer keine eigene Platinenumsetzung machen will, kann das Layout aus Abbildung 4 zu Hilfe nehmen.

# Bauteilliste
Anzahl Bauteil Kosten
1X 1N4148 -,07 DM
1X CNY 17-3-Optokoppler -,95 DM
2x 270 Ω 1/4 Watt 5% -,40 DM
1X 100 Ω 1/4 Watt 5% -,20 DM
1X 470 Ω 1/4 Watt 5% -.20 DM
8X 220 Ω 1/4 Watt 5% 1,60 DM
1X IC 74LS07 1,60 DM
1X LED rot 5mm -.25 DM
5X MIDI-BUCHSE 5polig 180 Grad 4,75 DM
13X Lötstifte
1X Lochrasterplatine
1X Gehäuse

Thru-Box-Layout

Das Layout ist nicht maßstabsgetreu, so daß dies nicht als Vorlage für die Fototechnik dienen kann. Da der Schaltungsaufwand nicht sehr hoch ist, sollte ein schnelles Verdrahten auf einer Lochrasterplatine wohl der einfachste Weg sein. Zu beachten ist, daß das Layout die Lötseite zeigt. Die Bauteile werden hier alle von unten betrachtet. Wie das ganze von oben aussieht, zeigt Abbildung 5.

Abb.3: Der Schaltplan der Thru-Box

Der Bauteil-Lageplan

Hier sehen wir nun die Bauteile von der Bestückungsseite. Für die Anschlüsse sollten (ganz rechts) Lötstifte eingesetzt werden. Wer seine selbst gebaute MIDI-Thru-Box ständig mit dem ATARI zusammen auf die Bühne nehmen möchte, sollte keine Sockel verwenden, da diese sonst bei stärkeren Erschütterungen zu fatalen Fehlern führen können. Ob nun die MIDI-Buchsen zusätzlich auf die Platine aufgebaut oder in das Gehäuse gesetzt werden, bleibt jedem selbst überlassen. Ich persönlich ziehe den Einbau in das Gehäuse vor, da die Platinenbelastung beim Einstecken und Herausziehen der Kabel doch recht groß ist. Als Gehäuse empfehle ich auf jeden Fall ein Metallgehäuse, das nicht gleich bei jedem Stoß auseinanderfällt.

Abb.6: Es brauchen nur 3 Pins der 5poligen MIDI-Stecker miteinander verbunden werden.

Die MIDI-Kabelanschlußbelegung

Wer nun schon eine eigene Thru-Box bauen kann, sollte auch seine MIDI-Kabel selber löten können. In Abbildung 6 wird die korrekte Anschlußbelegung gezeigt. Die Verdrahtung ist denkbar einfach und durch jedermann schnell zu erstellen. Pin 4 mit Pin 4 verbinden. Pin 5 mit Pin 5 verbinden. Pin 2 mit Pin 2 verbinden. Es wird ein 2adriges Kabel plus Abschirmung verwendet. Pin 4 und 5 sind die normalen Datenleitungen, und Pin 2 ist die Abschirmung. Die Kabellänge sollte 15 Meter nicht überschreiten. Die Bezeichnungen von MIDI-Steckem und Buchsen lauten: 5polig 180 Grad.

Zu den Kosten. Die reine MIDI-Schaltung ohne Gehäuse übersteigt einen Preis von 10,- DM wahrscheinlich nicht. Dies hängt aber grundsätzlich immer vom Geschäft ab, bei dem eingekauft wird. Preise und Bestellnummern sind aus einem CONRAD-Katalog entnommen und erheben keinen Anspruch auf Vollständigkeit oder Richtigkeit. Für die Richtigkeit der Schaltungen, die Funktion, für Druckfehler und daraus entstandenen Schäden, kann zudem keine Haftung übernommen werden.

Abb.4: Ein einfacher Platinenvorschlag (nicht maßstabsgerecht!)...
Abb.5:... mit dem Bauteil-Lageplan.

Anwendungen in Verbindung mit dem ATARI

In Abbildung 7 sehen wir, wie der ATARI durch die Thru-Box um mehrere MIDI-Outputs bereichert wird. Die den ATARI verlassenden Daten erreichen nun alle gleichzeitig die vier angeschlossenen Expander. Voraussetzung für das Ansteuern der Expander über ein am MIDI-IN des ATARI angeschlossenes Masterkeyboard ist die Möglichkeit einer einstellbaren MIDI-Thru-Schaltung beim verwendeten ATARI-Programm. Dabei werden die am MIDI-IN anliegenden Daten direkt zum MIDI-OUT weitergeleitet. Auf diese Art und Weise kann auch das Masterkeyboard alle Expander direkt erreichen. Da es leider noch einige Programme gibt, die eine solche Software-Thru-Schaltung nicht ermöglichen, ist man genötigt, eine andere Verkabelung zu wählen, die, wenn auch nicht sehr komfortabel, dennoch beim Ein-und Abspielen eine Klangkontrolle erlaubt. Eine solche Möglichkeit wird in Abbildung 8 gezeigt. Bei dieser Verkabelungsvariante wird das Masterkeyboard in die MIDI-Thru-Box (Input) gesteckt. 3 Ausgänge steuern nun 3 Expander an, und 1 Ausgang wird in den ATARI (MIDI-IN) gesteckt. Der ATARI-MIDI-OUT kann nun zur Kontrolle einen weiteren Expander ansteuern. Selbstverständlich ist es auch möglich, gleich 2 MIDI-Thru-Boxen anzuschließen, um von 2 Geräten die MIDI-Outputs zu vervierfachen. Die Flexibilität steigt dadurch sicherlich, und bei einem so geringen Herstellungspreis wird man über den Bau einer zweiten MIDI-Thru-Box sicherlich nicht lange nachdenken. Wer gerne eine Thru-Box wünscht, die um-schaltbar gestaltet ist, um entweder 2 mal 1 auf 4 oder 1 mal 1 auf 8 realisieren zu können, kann gegen einen frankierten Rückumschlag und eine geringe Gebühr (10,- DM-Schein) den Schaltplan über die Redaktion von mir bekommen. Aber bitte auf keinen Fall bei der Redaktion anrufen, da das Telefon ohnehin schon überlastet ist. Richten Sie Ihre Anfragen bitte schriftlich an folgende Adresse.

Redaktion ST-COMPUTER
Stichwort: Thrubox 2x1 auf 4/1x1 auf 8
Industriestraße 26
W-6236 Eschborn

Die Redaktion wird die eingehenden Sendungen dann postwendend an mich weiterleiten. Aber bitte etwas Geduld, da die Anforderungen erst einmal gesammelt werden müssen. Und nun wünsche ich viel Spaß beim Nachbau der MIDI-Thru-Box. Wer weiterhin Interesse an MIDI-Bauanleitungen hat, sollte die nächsten ST-COM-PUTER-Ausgaben aufmerksam verfolgen, da in absehbarer Zeit ein MIDI-Merger zum Selbstbau ansteht. Ein Merger funktioniert midimäßig eigentlich genau andersherum als eine Thru-Box. Hiermit werden mehrere Eingänge auf einen Ausgang zusammengeschmolzen. Da dies nicht so einfach funktioniert wie bei Audiosignalen, muß wieder etwas Elektronik herhalten. Aber wie gesagt, dazu in einer der nächsten ST-COMPUTER-Ausgaben mehr.

Abb.7: Verschaltungsvorschlag 1
Abb.8: Verschaltungsvorschlag 2
Wolfgang Weniger